
TM 9-2350-311-34-1
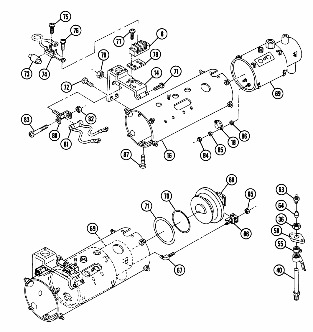
12 Install burner assembly (68), new preformed packing (70), and new gasket (71) to heat exchanger (69).
13 Install two clamps (66), two nuts (65), and two hook bolts (67) to secure burner assembly (68).
14 Install flange (58), preheat resistor (55), nut (36), new compression sleeve (64), and union (63) to fuel tube
(40).
10-31
Commenti su questo manuale