
NOTE
TM 9-2350-311-34-1
7-10 BULKHEAD-TO-PORTABLE INSTRUMENT PANEL WIRING HARNESS
(ENGINE MODEL 7083-7391) – CONTINUED
d.
Installation — Continued
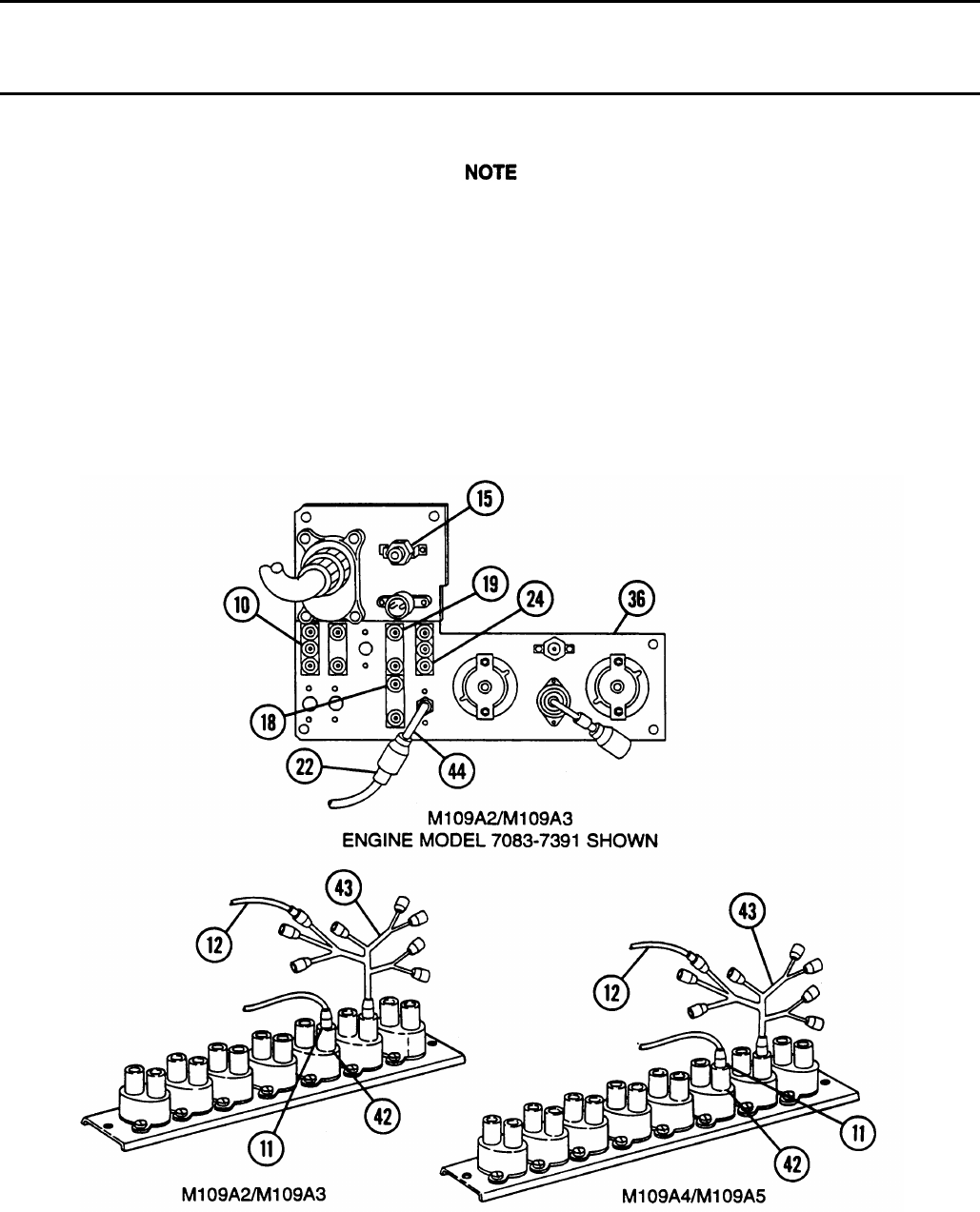
Connector 18 is a branch of the diode wiring harness assembly on M109A4/M109A5
Howitzers.
6 Connect four connectors (10, 15, 18, and 19) to driver’s instrument panel. Connector (18) will be connected to
diode wiring harness assembly on M109A4/M109A5 Howitzers.
7 Connect connector (22) to lead (44).
8 Connect connector (12) to driver'ts instrument panel wiring harness (43).
9 Connect connector (11) to circuit breaker (42).
7-46
Commenti su questo manuale